○赤穂市火災調査規程
平成28年12月28日
消防訓令甲第2号
火災原因及び損害調査規程(平成24年赤穂市消防訓令甲第6号)の全部を次のように改正する。
目次
第1章 総則
第1節 通則
第2節 調査体制
第3節 調査上の心構え
第2章 調査要領
第1節 通則
第2節 火災出動時の調査
第3節 現場保存
第4節 鎮火後の調査
第5節 質問
第6節 立証のための調査
第7節 照会及び資料提出
第8節 資料の保全
第9節 児童に対する取扱いの特例
第3章 原因の判定
第4章 損害の査定
第5章 調査書類の作成及び報告
第1節 通則
第2節 火災調査書
第3節 報告
第6章 調査結果の活用
第7章 り災の証明
第8章 雑則
付則
第1章 総則
第1節 通則
(趣旨)
第1条 この規程は、消防法(昭和23年法律第186号。以下「法」という。)第7章に定める火災の調査(以下「調査」という。)に関し、必要な事項を定めるものとする。
(調査の目的)
第2条 調査は、すべての火災の原因及び火災により受けた損害を明らかにすることにより、火災予防施策及び警防対策に必要な基礎資料の収集を図り、もつて住民生活の安全を確保することを目的とする。
(火災の定義)
第3条 火災とは、人の意図に反して発生し若しくは拡大し、又は放火により発生して消火の必要がある燃焼現象であつて、これを消火するために消火施設又はこれと同程度の効果のあるものの利用を必要とするもの、又は人の意図に反して発生若しくは拡大した爆発現象をいう。
(火災件数)
第4条 火災の件数は、原則として、1つの出火点から拡大したもので、出火に始まり鎮火するまでを1とする。
(火災の種別)
第5条 火災は、次の各号に掲げる種別に区分するものとする。
(1) 建物火災 建物又はその収容物が焼損した火災
(2) 林野火災 森林、原野又は牧野が焼損した火災
(3) 車両火災 自動車車両、鉄道車両及び被けん引車又はこれらの積載物が焼損した火災
(4) 船舶火災 船舶又はその積載物が焼損した火災
(5) 航空機火災 航空機又はその積載物が焼損した火災
(6) その他の火災 前各号に該当しない火災
2 前項各号の火災が複合するときは、焼き損害額の大なるものの種別による。ただし、その様態により焼き損害額の大なるものの種別によることが社会通念上適当でないと認められるときはこの限りでない。
(統計外の火災)
第6条 火災発生後1週間(168時間)を経過して覚知したものは、統計外火災として別に区分するものとする。
(調査の区分)
第7条 調査は、原因調査及び損害調査に区分する。
2 原因調査は、次に掲げる事項を究明するために行うものとする。
(1) 出火原因 出火箇所、発火源、経過及び着火物
(2) 火災の性状 煙の流動状況、延焼経路及び延焼拡大の要因
(3) 火災初期の対応 発見状況、通報状況及び消火状況
(4) 避難状況 火災現場における避難者及び要救助者の行動、救出救助状況等
(5) 消防用設備等の使用状況
(6) その他消防行政上必要な事項
3 損害調査は、次に掲げる事項を明らかにするために行うものとする。
(1) 焼き損害 火災によつて焼けた物、熱によつて破損した物等の損害
(2) 消火損害 消火活動によつて受けた水損、破損、汚損等の損害
(3) 爆発損害 爆発現象の破壊作用により受けた焼き損害及び消火損害以外の損害
(4) その他損害 煙害等による損害
(5) 死傷者 火災に起因して生じた死者及び負傷者
(6) その他人的被害状況 り災世帯数及びり災程度並びにり災人員等
第2節 調査体制
(調査の責任)
第8条 消防署長(以下「署長」という。)は、管轄区域内で発生した火災の調査を行う責任を有するものとする。
(調査員の選任)
第9条 署長は、調査を迅速適確に処理するため、消防吏員のうちから必要な調査員を選任するものとする。
第3節 調査上の心構え
(常時の心得)
第10条 調査員は、常に火災の現象、関係法令及び社会の動向その他調査に必要な知識の習得に努めるとともに、調査技術及び調査能力の向上に努めなければならない。
(法令の遵守等)
第11条 調査員は、法その他関係法令を遵守するとともに、個人の自由及び権利を不当に侵害してはならない。
2 調査員は、調査上知り得た秘密を他に漏らしてはならない。
(調査情報の管理)
第12条 署長は、現場見分又は質問により得られた調査情報及び調査結果から作成された文書等の適切な管理に配慮するものとする。
(民事不介入)
第13条 調査員は、その職務を利用して関係者の民事的紛争に関与してはならない。
(関係機関との協力)
第14条 調査員は、警察機関その他関係機関の職員と緊密な連絡を保ち相互に協力して調査にあたらなければならない。
第2章 調査要領
第1節 通則
(調査の原則)
第15条 調査は、常に火災原因の実態究明を主眼とし、先入観にとらわれることなく科学的な方法と合理的判断により事実の究明に努めなければならない。
(調査の時期)
第16条 調査は、火災の覚知と同時に着手し、火災時及び鎮火後にわたつて行わなければならない。
(調査の方法)
第17条 調査は、見分、質問、関係者に対する資料の提出命令若しくは報告の聴取、鑑定又は実験その他の方法により行うものとする。
第2節 火災出動時の調査
(火災状況の見分)
第18条 消防隊員は、火災現場に出動したときは、直ちに火災の状況を見分し、必要に応じその状況を出火出動時における見分調査書(第1号様式)に記載するものとする。
2 前項の調査書には、必要に応じ図面、写真等を添付するものとする。
(令7消防訓令甲1・一部改正)
(聞き込み調査)
第19条 消防隊員は、火災の早期発見者その他関係のある者に迅速かつ的確に聞き込み調査を行い、必要な情報の収集に努めなければならない。
2 消防隊員は、聞き込み調査により知り得た事項について、必要に応じ現場聞き込み調査書(第2号様式)を作成するものとする。
(令7消防訓令甲1・一部改正)
第3節 現場保存
(防御中の現場保存)
第20条 消防隊員は、出火場所付近の迅速な消火を心掛け、出火前の状態が推測できるよう原状の保存に努めなければならない。
2 消防隊員は、防御活動のため、やむを得ず出火場所付近の物件を移動又は破壊しようとするときは、事後の調査の支障とならないよう配慮するとともに、原状がわかるよう必要な処置をとらなければならない。
(鎮火後の現場保存)
第21条 署長は、次の各号により、警察機関その他関係機関と協力し、鎮火後の現場を保存しなければならない。
(1) 現場保存区域は、警察官等と協議して決定すること。
(2) 現場保存区域は、必要最小限度の範囲にとどめること。
(3) 現場保存区域は、網張り又は張札等で表示すること。また、保存にあたつては必要に応じブルーシート等で目隠しを行うこと。
2 現場保存区域には、関係者であつてもみだりに出入りさせてはならない。
3 現場保存区域は、調査の進行に伴い、順次縮小解除するものとする。
(原状の変更)
第22条 消防隊員は、現場見分を行う以前にやむを得ず現場の原状を変更するときは、写真、見取図、記録その他の方法により原状を明らかにするよう処置しなければならない。
(死者の取扱い)
第23条 消防隊員は、現場において死者を発見したときは、速やかに現場最高指揮者に報告しなければならない。
2 前項の報告を受けた現場最高指揮者は、警察官等に通報するとともに必要な措置を講じなければならない。
第4節 鎮火後の調査
(現場見分の原則)
第24条 調査員は、火災現場その他関係のある場所に立ち入り、詳細に見分し証拠資料の発見収集に努めなければならない。
(立会人)
第25条 現場見分は、努めて関係者の立会いのもとにおいて行うものとする。
2 前項の規定により、現場見分の立会いを求める場合には、安全管理及び言動等に配慮しなければならない。
(実況(鑑識)見分調査書の作成)
第26条 調査員は、現場見分を行い、必要に応じ実況(鑑識)見分調査書(第3号様式)を作成しなければならない。
(令7消防訓令甲1・一部改正)
(図面及び写真)
第27条 調査員は、現場見分内容を明確にするため図面及び写真により記録しなければならない。
2 写真は、現場写真用紙(第4号様式)に貼付し、必要な説明を加え集録しなければならない。
(令7消防訓令甲1・一部改正)
第5節 質問
(質問)
第28条 調査員は、火災の原因究明及び被害状況の把握のため必要があるときは、出火行為者、火元関係者、発見者、通報者、初期消火者その他関係者(以下「被質問者」という。)に対し質問を行い、事実の確認に努めなければならない。
(令7消防訓令甲1・一部改正)
(任意申述の確保)
第29条 調査員は、質問を行うときは、強制的手段を避け、場所・時間等を考慮し、被質問者の任意の申述を得るように努め、みだりにその申述を誘導してはならない。
(令7消防訓令甲1・一部改正)
(伝聞の排除)
第30条 調査員は、伝聞による申述を排除し、事実の申述を得るよう努めなければならない。
(令7消防訓令甲1・一部改正)
(令7消防訓令甲1・一部改正)
(閲覧又は読み聞かせ)
第32条 調査員は、被質問者の申述を録取したときは、その内容を被質問者に閲覧又は読み聞かせ、修正の機会を与えるものとする。
2 前項の申述者が確認をすることができないとき又は被質問者が確認を拒否したときは、調査員がその旨を記載しておかなければならない。
(令3消防訓令甲5・令7消防訓令甲1・一部改正)
(通訳人の介助)
第33条 調査員は、通訳人の介助を得て質問したときは、通訳人を介してその内容を閲覧又は読み聞かせその旨を記載するものとする。
(令3消防訓令甲5・令7消防訓令甲1・一部改正)
(被疑者の質問及び押収物件の調査)
第34条 署長は、警察署に留置されている放火若しくは失火の犯罪の被疑者に対し質問し、又は押収された証拠物件を調査するときは、質問(証拠物件)調査請求書(第6号様式)により請求するものとする。
3 被疑者に対して直接質問できない場合には、事件を担当する警察官を介して被疑者の申述内容を照会するものとする。この場合においては、警察官から聞き込んだ被疑者の申述内容を申述内容調査書(第7号様式)に記載するものとする。
(令7消防訓令甲1・一部改正)
第6節 立証のための調査
(鑑定)
第35条 署長は、調査のため必要があるときは、官公署等又は学識経験のある者に対し、鑑定依頼書(第8号様式)により物件の鑑定を依頼することができる。
第7節 照会及び資料提出
(官公署への照会)
第36条 署長は、関係のある官公署に対し調査のために必要な事項の通報を求める場合には、火災調査事項照会書(第10号様式)により行うものとする。
(必要な書類の提出又は報告の徴収)
第37条 署長は、現場において立証のための調査が必要と認める場合は、火災の原因の疑いがあると認められる製品を製造し、若しくは輸入した者又は関係者(以下「関係者等」という。)に任意で必要な資料の提出又は報告を求めるものとする。
3 前項の規定による命令の履行期限は、必要な資料の内容によつて妥当であると認められる期限とするものとする。
(令7消防訓令甲1・全改)
第8節 資料の保全
(資料の保全)
第38条 署長は、資料の保管にあたつては、資料の証拠価値を毀損しないよう細心の注意をはらい慎重に保全しなければならない。
(令7消防訓令甲1・一部改正)
(警察への引渡し)
第40条 署長は、保管中の資料について、警察から引渡し要求があつたときは、証拠物引渡書(第16号様式)により引き渡すことができる。
(証拠物件の返還)
第41条 署長は、返還希望の有る資料について、調査が終了し保管の必要がなくなつたときは提出者に返還しなければならない。
第9節 児童に対する取扱いの特例
(準拠)
第42条 児童に対する調査はこの節の規定によるものとする。
2 前項の児童とは、児童福祉法(昭和22年法律第164号)第4条に規定する満18歳に満たない者をいう。
(調査員の心得)
第43条 調査員は、児童に対する調査にあたつては、児童の特性をよく理解し、言動に注意しその心情を傷つけないように努めなければならない。
(関係機関との連絡)
第44条 調査員は、児童に対する調査を行うにあたつて必要があるときは、警察署、児童相談所、学校その他関係機関との連絡を密にして行わなければならない。
(保護者の立会い)
第45条 調査員は、児童に質問し、又は児童を現場見分時の立会人とする場合には、保護者、教師、保護司等の立会いのもとにおいて行わなければならない。
2 前項の規定にかかわらず、児童の年齢、職業、家庭環境その他の事情を考慮して支障がないと認める場合又は事実が得られないと判断される場合には、一般の例によりこれを行うことができる。
(確認)
第46条 児童の質問調査書(第5号様式)には、立会いする保護者、教師、保護司等の確認を求めるものとする。
(令3消防訓令甲5・令7消防訓令甲1・一部改正)
(氏名等の公表禁止)
第47条 児童の放火又は失火による火災について、市民又は報道機関等に発表する場合には、氏名、年齢及び住所等本人を推知できるような情報を漏らしてはならない。
(心神喪失者等の準用)
第48条 心神喪失者、心身耗弱者又はろうあ者等の関係する調査については、この節の規定を準用する。
第3章 原因の判定
(令7消防訓令甲1・改称)
2 前項の判定書の作成にあたつては、次のことに留意しなければならない。
(1) 火災出動時における見分、現場見分、被質問者の申述その他関係資料を総合的に検討し、科学的に考察し、事実を判定すること。
(2) 総合的結論と原因判定の経過を系統的かつ明確に記載し、それぞれの事実を立証する資料を明示すること。
(3) 火災原因の記載にとどまらず、火災の拡大状況、消防隊の活動等消防行政上必要な事実についても記載するものとする。
(令7消防訓令甲1・一部改正)
(防火管理等の調査)
第50条 調査員は、り災した建物が赤穂市火災予防査察規程(昭和40年赤穂市消防訓令甲第4号)第3条に規定する対象物である場合には、防火管理等の調査書(第19号様式)を作成するものとする。
(令7消防訓令甲1・一部改正)
第4章 損害の査定
(令7消防訓令甲1・改称)
(損害の査定)
第51条 署長は、調査により把握したり災物件及び火災損害届を総合的に検討し、損害を査定しなければならない。
2 り災物件の損害額は、り災した時点における時価又は原価により算出するものとする。
3 損害の査定は、原則として損害査定書(第20号様式―第25号様式)を用いるものとする。
(令7消防訓令甲1・一部改正)
(令7消防訓令甲1・一部改正)
(1) 建物火災 火災損害届(不動産、動産用)(第27号様式)
(令7消防訓令甲1・一部改正)
第5章 調査書類の作成及び報告
第1節 通則
(書類作成上の原則)
第54条 調査書類(以下「書類」という。)の作成にあたつては、分かりやすく、易しい文章で事実をありのままに表現するよう努めなければならない。
(令7消防訓令甲1・一部改正)
(署名)
第55条 書類には、原則として作成年月日、作成者の所属、階級及び氏名を記載しなければならない。ただし、関係者から提出された書類についてはこの限りでない。
(令7消防訓令甲1・一部改正)
(死傷者の調査)
第56条 署長は、火災に起因して死傷者が発生したときは、その状況を調査し、死傷者の調査書(第31号様式)を作成の上、死傷者の発生した理由やその要因、問題点及び教訓等を抽出し、消防行政に反映させなければならない。
(令7消防訓令甲1・一部改正)
(文字の加除訂正)
第57条 書類の文字の訂正又は添削は、次の各号により行うものとする。
(1) 文字を削除するときは、誤り又は余分な文字を黒又は青の横2線で抹消してその箇所に押印し、行の右欄外に「何字削除」と記入すること。
(2) 文字の挿入は、脱字が短いときは脱字の下に「˄」記号を入れ、脱字が長いときは、脱字の上に「︸」記号を入れ、必要な文字を挿入してその箇所に押印し、右欄外に「何字挿入」と記入すること。
(3) 文字を訂正するときは、誤字を黒又は青2線で抹消し、その上に正しい文字を記入してその箇所に押印し、行の右欄外に「何字訂正」と記入すること。
第2節 火災調査書
(令7消防訓令甲1・改称)
(1) 書類目録(第33号様式)
(2) 火災原因判定書(第18号様式)
(3) 実況(鑑識)見分調査書(第3号様式)
(4) 現場図面
(5) 現場写真用紙(第4号様式)
(6) 出火出動時における見分調査書(第1号様式)
(7) 質問調査書(第5号様式)
(8) 現場聞き込み調査書(第2号様式)
(9) 防火管理等の調査書(第19号様式)
(10) 損害調査書(第26号様式)
(11) 損害査定書(第20号様式―第25号様式)
(13) その他参考書類
3 消防長は、火災の規模に応じて前項の添付書類の一部を省略して報告させることができる。
(令3消防訓令甲6・令7消防訓令甲1・一部改正)
第3節 報告
(火災報告)
第59条 消防長は、火災報告等オンライン処理システムによつて、県が指定する期日までに県へ報告しなければならない。
(報告書の報告期限)
第60条 署長は、管轄区域内に火災があつたときは、この規程の定めるところにより調査を行い、その結果を火災の覚知の日から60日以内に消防長に報告しなければならない。
2 署長は、前項に定める報告期限内に報告することができない場合には、あらかじめ消防長に理由を付した文書をもつて報告しなければならない。
第6章 調査結果の活用
(火災調査結果の活用)
第61条 消防長及び署長は、火災の調査結果から教訓及び問題点を抽出し、抽出された教訓を活かし、問題点に対する対応を速やかに講じるなど消防行政に反映させなければならない。
(広報)
第62条 消防長又は署長は、調査に関して市民、報道機関等への広報を行うときは、類似する火災の防止効果が得られるように配慮するものとする。
第7章 り災の証明
(り災の証明)
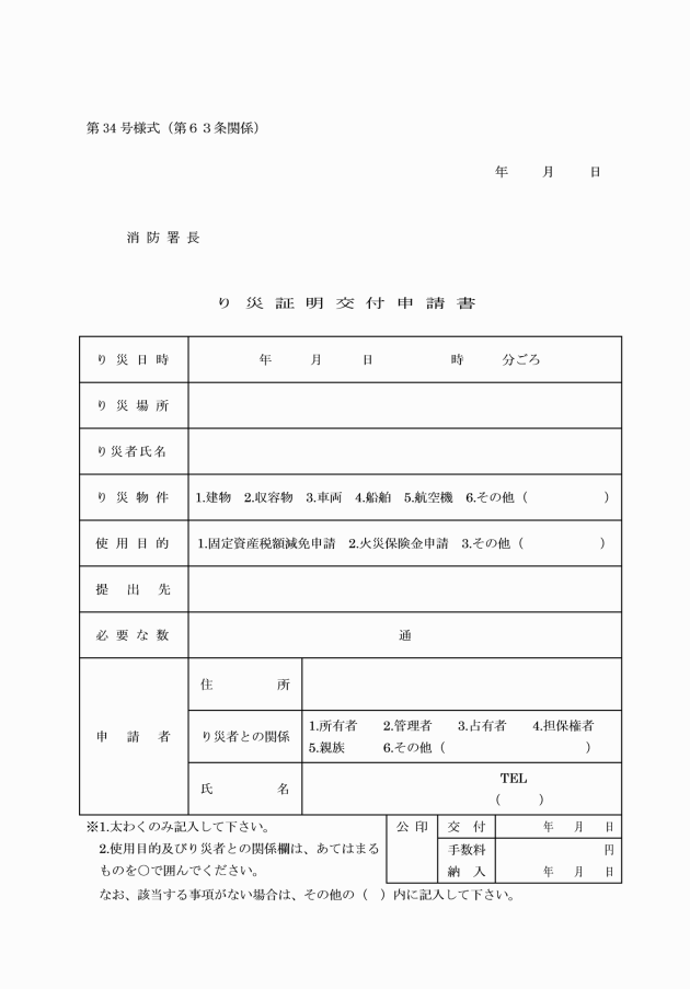
第63条 署長は、管轄区域内における火災のり災者からり災証明交付申請書(第34号様式)により申請があつたときは、り災の証明を行うことができる。
(1) り災証明 焼損又は水損等によるり災程度が確認し得たものについて、り災証明書(第35号様式)により行うもの。
(2) り災届証明 客観的に火災でり災した事実が推測され、かつ、り災者が届出ている場合に、り災届証明書(第36号様式)により行うもの。
3 第1項のり災の証明は、原則として現場見分が終了するまで行つてはならない。
(令7消防訓令甲1・一部改正)
(令7消防訓令甲1・一部改正)
第8章 雑則
(火災原因に関する照会)
第65条 署長は、管轄区域内で発生した火災において、火災原因その他の調査事項について、捜査機関、その他関係機関及び関係者から照会があつたときは、その内容、目的、その他必要な理由について審査し、必要事項について照会事項回答書(第38号様式)により回答することができる。
2 署長は、前項の規定により回答しようとするときは、照会書等の写しを添えてあらかじめ消防長に報告しなければならない。
(令7消防訓令甲1・一部改正)
(火災原簿)
第66条 署長は、調査が完了したときは、調査結果に基づき火災原簿(第39号様式)を作成し消防長に報告しなければならない。
(令7消防訓令甲1・一部改正)
(調査研修)
第67条 消防長及び署長は、調査員の調査知識及び調査技術の向上のため、調査に関する研修等を計画的に実施するものとする。
2 調査員は、前項の計画に基づく研修等に積極的に参加し、調査知識及び調査技術の向上のため自己啓発に努めるものとする。
(補則)
第68条 この規程の施行に関し必要な事項は、別に定める。
付則
1 この規程は、平成29年1月1日から施行する。
2 改正後の赤穂市火災調査規程の規定は、この規程の施行の日(以下「施行日」という。)以後発生した火災の調査について適用し、施行日前に発生した火災の調査については、なお従前の例による。
付則(令和3年3月23日消防訓令甲第5号)
この規程は、令和3年4月1日から施行する。
付則(令和3年7月30日消防訓令甲第6号)
この規程は、令和3年8月1日から施行する。
付則(令和7年12月26日消防訓令甲第1号)
この規程は、令和8年1月1日から施行する。
(令7消防訓令甲1・全改)

(令7消防訓令甲1・全改)

(令7消防訓令甲1・全改)

(令7消防訓令甲1・全改)

(令7消防訓令甲1・全改)

(令7消防訓令甲1・一部改正)

(令7消防訓令甲1・一部改正)

(令7消防訓令甲1・一部改正)

(令3消防訓令甲5・令7消防訓令甲1・一部改正)

(令7消防訓令甲1・一部改正)

(令7消防訓令甲1・全改)

(令7消防訓令甲1・追加)

(令3消防訓令甲5・令7消防訓令甲1・一部改正)

(令7消防訓令甲1・一部改正)

(令7消防訓令甲1・一部改正)

(令7消防訓令甲1・一部改正)

(令7消防訓令甲1・一部改正)

(令3消防訓令甲5・令7消防訓令甲1・一部改正)

(令7消防訓令甲1・全改)

(令7消防訓令甲1・全改)

(令7消防訓令甲1・一部改正)

(令7消防訓令甲1・一部改正)

(令7消防訓令甲1・一部改正)

(令7消防訓令甲1・一部改正)

(令7消防訓令甲1・一部改正)

(令7消防訓令甲1・一部改正)

(令7消防訓令甲1・全改)

(令7消防訓令甲1・追加)

(令3消防訓令甲5・一部改正)


(令3消防訓令甲5・一部改正)




(令7消防訓令甲1・追加)

(令7消防訓令甲1・旧第31号様式繰下・全改)


(令3消防訓令甲6・追加、令7消防訓令甲1・旧第31号の2様式繰下)

(令7消防訓令甲1・旧第32号様式繰下・一部改正)

(令3消防訓令甲5・一部改正、令7消防訓令甲1・旧第33号様式繰下)

(令7消防訓令甲1・旧第34号様式繰下)

(令7消防訓令甲1・旧第35号様式繰下)

(令7消防訓令甲1・旧第36号様式繰下)

(令7消防訓令甲1・旧第37号様式繰下・一部改正)

(令7消防訓令甲1・旧第38号様式繰下・全改)

